EbookFree
  • Dmca
  • Contact
  • Privacy Policy
  • Copyright

06 Pt Cruiser Repair Manual Pdf

Pt Cruiser Wiring Diagram Questions Answers With Pictures Fixya

Pt Cruiser Wiring Diagram Questions Answers With Pictures Fixya

Factory Workshop Service Repair Manual Chrysler Pt Cruiser 2000

Factory Workshop Service Repair Manual Chrysler Pt Cruiser 2000

Chrysler Pt Cruiser Diaggramy El Chrysler Cars Of The United

Chrysler Pt Cruiser Diaggramy El Chrysler Cars Of The United

A1924e2 2005 Pt Cruiser Chrysler Service Manuals Diesel Diagnostic

A1924e2 2005 Pt Cruiser Chrysler Service Manuals Diesel Diagnostic

Honda Cb600f 1998 2006 Service Repair Manual Pdf Download The

Honda Cb600f 1998 2006 Service Repair Manual Pdf Download The

2005 Chrysler Pt Cruiser Workshop Service Repair Manual
Repair Manual Pdf June 2017
Bmw K1200rs Pdf Service Repair Fdownload Net
2008 Ford Transit Repair Manual Pages 1 3 Text Version Fliphtml5
2003 Pt Cruiser Service Repair Manual Car Service Manuals
Pt Cruiser Haynes Publishing
3a6d46 2005 Pt Cruiser Repair Manual Pdf Digital Resources
Pt Cruiser Wiring Diagram Questions Answers With Pictures Fixya
Chrysler Pt Cruiser Questions Where Is The Fuse Box Located On
Fuses And Relay Chrysler Pt Cruiser
Chrysler Pt Cruiser 2004 2005 2006 Repair Manual Autoservicerepair
User Manual For Ford Fiesta 2006
Nissan Maxima 2000 2001 2002 2003 2004 2005 Factory Service Repair
Chrysler Pt Cruiser Service And Repair Manual Zofti Free Downloads
2009 2014 Chevrolet Cruze Maintenance Service Repair Manual Pdf
Audi Tt Service Manual 1997 2006 Pdf
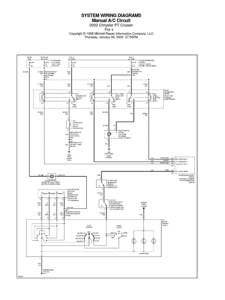
Ea993 2006 Chrysler Pt Cruiser Wiring Diagrams Wiring Resources
Chrysler Pt Cruiser Service Manual 2001 2005 Pdf
Fd6d329 Toyota Hiace Wiring Diagram Pdf Wiring Resources
Headlight Wipers Turn Signal Accessory Lights Pt Cruiser Forum
2009 Pt Cruiser Service Manual
2
2002 Chrysler Pt Cruiser Repair Manual By Rudy72ralodi Issuu
2005 Chrysler Pt Cruiser Repair Shop Manual Original 2 Volume Set
1
2
2006 Polaris Fst Touring Snowmobile Service Repair Manual
Chrysler 300m 2004 Service Manual Repair Manual By David Liang Issuu
Chrysler 300c Free Workshop And Repair Manuals
2002 Chrysler Pt Cruiser Repair Shop Manual Original
Service Repair Manual Download Pdf
Chrysler Pt Cruiser Wikipedia
Chrysler Pt Cruiser Service Manual 2000 2010 En Tecnicman Com
2006 Pt Cruiser Chrysler Service Manual Diesel Included Tradebit
Chrysler Pt Cruiser
Chrysler Pt Cruiser Repair Manual 2001 2010
Chrysler Pt Cruiser Service And Repair Manual Zofti Free Downloads
Chrysler Pt Cruiser
Chrysler Pt Cruiser 01 08 Parts Catalog Pt Cruiser Repair
Chrysler Pt Cruiser 2004 2005 2006 Repair Manual Autoservicerepair
2001 Pt Cruiser No Spark No Codes
Diagrama De Motor Pt
Australian Pt Cruiser Community The Australian Pt Cruiser
Chrysler Town Country Service Repair Manual 2001 2002 2003 2004
Chrysler Pt Cruiser Service Manual 2001 2005 Pdf
Chrysler Pt Cruiser Service Manual 2001 2005 Pdf
Chrysler Pt Cruiser Workshop Service Repair Manual Download
Chrysler 300c Pt Cruiser Voyager Repair Manuals Workshop
Chrysler Pt Cruiser Service Manual 2001 2005 Pdf
Sebring 2001 2006 Service Repair Manual 2002 2003 2004 2005 Dodge
Haynes Repair Manual For Pt Cruiser
67 Best Precagizcys Images In 2020 Repair Manuals Manual
Chrysler Pt Cruiser Workshop Service Repair Manual Download
Instalseamf Blog
39 Best Maliwotrie Images In 2020 Manual Repair Manuals Owners
2005 Chrysler Pt Cruiser Repair Shop Manual Original 2 Volume Set
Download Chrysler Pt Cruiser Repair Manual
Chrysler A727 A904 Transmission Repair Manual Atsg Free Download
Auto Service Repair Manual Free Download
Pt Cruiser 2001 2005 Obd Ii Trouble Code Lists Repair Guide
Chrysler Pt Cruiser 2004 2005 2006 Repair Manual Youtube
Chrysler Pt Cruiser Service And Repair Manuals Free Download
Home Base Factory Service Manual
Ypobhonwdnsvgm
Chrysler Outboard 35 45 50 55 Hp 1966 1968 Repair Manual
Pt Cruiser Wiring Diagrams Diagram Base Website Wiring Diagrams
Chrysler Pt Cruiser
B5f57c0 06 Pt Cruiser Service Manual Wiring Library
2006 Chrysler Pt Cruiser Owner S Manual Pdf 464 Pages
67326 01 Pt Cruiser Owner Manual Pdf Wiring Library
Pt Cruiser Haynes Manuals
Chrysler Pt Cruiser Pt 2000 2010 Free Pdf Factory Service Manual
Chrysler Pt Cruiser 01 10 Haynes Repair Manual Haynes
Chrysler Pt Cruiser 2004 2005 2006 Repair Manual Autoservicerepair
5b245 Chrysler Pt Cruiser Repair Manual Wiring Library
Chrysler Pdf Workshop And Repair Manuals Carmanualshub Com
Chrysler Pt Cruiser Car Service Repair Manuals For Sale Ebay
Chrysler 300 Service Repair Manual Chrysler 300 Pdf Downloads
Used Chrysler Pt Cruiser Cars For Sale In The Uk Nestoria Cars
Chrysler Pt Cruiser Workshop Service Repair Manual Download
Mitsubishi Grandis Service Repair Manual Mitsubishi Grandis Pdf
Pt Cruiser Haynes Manuals
2006 Chrysler Pt Cruiser Owners Manual
B5f57c0 06 Pt Cruiser Service Manual Wiring Library
Chrysler Pt Cruiser Free Workshop And Repair Manuals
Chrysler Pt Cruiser 2006 2010 Workshop Manual Repair Manual
37f6c27 Chrysler Pt Cruiser Fuse Box Location Wiring Resources
Chilton Total Car Care Chrysler Pt Cruiser 2001 2010 Repair
Mo 6276 Chrysler Pt Cruiser 20012005 Repair Manuals Download
2005 Chrysler Pt Cruiser Workshop Service Repair Manual
Chrysler Pt Cruiser Workshop Manual 1999 2007 By Geoffreyelias Issuu
2003 Pt Cruiser Sport Service Repair Manual Factory Service Manual
Free Auto Repair Manuals Online No Joke Youtube
Chrysler Pt Cruiser Service Manual 2001 2005 Pdf
Pt Cruiser 2005 2008 Service Repair Manual Tradebit

Random Posts

  • Answers To Basic Methods Of Structural Geology Pdf
  • Beyond Winning Negotiating To Create Value In Deals And Disputes Paperback Pdf
  • Math In Focus 3rd Grade Pdf
  • 12 Steps To Destruction Pdf
  • Administrative Management Setting People Up For Success Pdf
  • Ae92 Service Manual Pdf
  • Activites Pour Tous Workbook Answers Blanc 2 Pdf
  • 2003 Chevrolet Venture Repair Manual Pdf Qmooze Com
  • Principles Of Accounting 11th Edition Pdf
  • Atkins Physical Chemistry 10th Edition Solutions Pdf Pdf
Dmca Contact Privacy Policy Copyright