EbookFree
  • Dmca
  • Contact
  • Privacy Policy
  • Copyright

1997 Olds 88 Climate Control Wiring Diagram Pdf

Challenger Pool Pump Wiring Diagram Ladda Ner Wiring Diagram

Challenger Pool Pump Wiring Diagram Ladda Ner Wiring Diagram

Wte Best Practices And Perspectives In Asia Sciencedirect

Wte Best Practices And Perspectives In Asia Sciencedirect

8ab Mercedes Benz W124 Wiring Diagram Pdf Wiring Resources

8ab Mercedes Benz W124 Wiring Diagram Pdf Wiring Resources

Amazon Com Blower Motor Resistor Complete Kit With Harness

Amazon Com Blower Motor Resistor Complete Kit With Harness

Https Encrypted Tbn0 Gstatic Com Images Q Tbn 3aand9gcszv Mk5m Tzbvxirchktosvytmmrgcjy2eb4svp1o6dstej9ex Usqp Cau

Https Encrypted Tbn0 Gstatic Com Images Q Tbn 3aand9gcszv Mk5m Tzbvxirchktosvytmmrgcjy2eb4svp1o6dstej9ex Usqp Cau

Swarm Eoportal Directory Satellite Missions
Oldsmobile 88 Wikipedia
Extras Part Iii Gas Turbines For Electric Power Generation
Wte Best Practices And Perspectives In Asia Sciencedirect
Gm Alternator Wiring Ricks Free Auto Repair Advice Ricks Free
1998 Oldsmobile Aurora Fuse Diagram Wiring Diagram
Ford Wipers Wiring Diagram Ricks Free Auto Repair Advice Ricks
Https Www Infineon Com Dgdl Infineon Motorcontrol Handbook Additionaltechnicalinformation V01 00 En Pdf Fileid 5546d4626bb628d7016be6a9aa637e69
Http Www Eaton Eu Ecm Groups Public Pub Europe Electrical Documents Content Pct 1090229 Pdf
Recent Developments In Environmental Photocatalytic Degradation Of
Https Www Meccalte Com Downloads Series Ecp En Pdf
Ep1662791b1 Client Server Based Interactive Television Program
Untitled
2000 Oldsmobile Intrigue Fuse Diagram Diagram Base Website Fuse
Oldsmobile Wiring Diagram Automotiver 2007 Rmnddesign Nl
Ecm Circuit Wiring Diagram Youtube
Kz 5980 Diagram Trans Am Wiring Diagram 1980 Trans Am Wiring
Power Electronics By Rigas Tehniska Universitate Issuu
Pdf Principles Of Electrical Power Control
Https Encrypted Tbn0 Gstatic Com Images Q Tbn 3aand9gcqcshe3saj Xscdsclj7hc4y3ksmewr1j4tyhkue4v74xueled9 Usqp Cau
Https Static Weg Net Medias Downloadcenter Ha0 H5f Weg Motors Specification Of Electric Motors 50039409 Brochure English Web Pdf
1998 Oldsmobile Cutlass Engine Diagram Wiring Diagram
98 Jeep Wiring Diagram Descargar Wiring Diagram Diagram
Energies Free Full Text Review On Building Integrated
Https Www Infineon Com Dgdl Infineon Motorcontrol Handbook Additionaltechnicalinformation V01 00 En Pdf Fileid 5546d4626bb628d7016be6a9aa637e69
Oldsmobile Car Manual Pdf Wiring Diagram Fault Codes Dtc
9 Daihatsu Trucks Service Manuals Free Download Truck Manual
Pin On Kc
Free Papers 2019 Developmental Medicine Amp Child Neurology
Fifty Ninth World Health Assembly
Oldsmobile Car Manual Pdf Wiring Diagram Fault Codes Dtc
Part 1 How To Test The Blower Control Module Gm 3 8l
Pin On Deere
Employment And Social Developments In Europe
Https Static Weg Net Medias Downloadcenter Ha0 H5f Weg Motors Specification Of Electric Motors 50039409 Brochure English Web Pdf
Disease Prediction Models And Operational Readiness
Pdf Principles Of Electrical Power Control
2
Http Www Balboawatergroup Com Getdoc Cfm Id 1809
Gm Bonneville Eighty Eight Lesabre 1986 1999 Wiring Diagrams
Chevy Diagrams
Gm S Series Pick Ups And Suv S 1994 1999 Wiring Diagrams Repair
What Is The Brown Alternator Wire For The 1947 Present
Https My Buick Com Content Dam Gmownercenter Gmna Dynamic Manuals 1997 Oldsmobile Cutlass Supreme 1997 Oldsmobile Cutlass Supreme Owners Pdf
Https Encrypted Tbn0 Gstatic Com Images Q Tbn 3aand9gctxbztak95tqrvedg2o9ei5uok3dx4aals90huzpxt1ttfdkmdm Usqp Cau
Oldsmobile Car Manual Pdf Wiring Diagram Fault Codes Dtc
Https Encrypted Tbn0 Gstatic Com Images Q Tbn 3aand9gcqvmwad0aqwq6vkl0voj0epvgpqwsvpci2vyaw38rumfgx8rucs Usqp Cau
Msd Wiring Diagram Two Step Two Step
Cheese Making Technology Ebook
Http Fab Cba Mit Edu Classes Mas 865 Power Vfd Pdf
2
Troubleshooting Electric Cooling Fan Problems In Cars Axleaddict
9 Daihatsu Trucks Service Manuals Free Download Truck Manual
Https Www Vertiv Com Globalassets Products Thermal Management Room Cooling Liebert Ds 28 105kw 8 30 Tons System Design Manual 01 Pdf
Pdf Cummins Installation Operations Maintenance Manual
Blower Resistor Resistor Guide
Oldsmobile Car Manual Pdf Wiring Diagram Fault Codes Dtc
The State Of The World S Biodiversity For Food And Agriculture
Auto Hvac Vacuum Repair Youtube
31 Toyota Pdf Manuals Download For Free Sar Pdf Manual Wiring
4th Gen Lt1 F Body Tech Aids
Wiring Diagram Oldsmobile 88 Aero 11 Althausbittetzutisch De
Volvo Service Manual Trucks Fm Fh Electrical Connector
Challenger Pool Pump Wiring Diagram Ladda Ner Wiring Diagram
Guide To Car Stereo Wiring Harnesses
Https My Gm Com Content Dam Gmownercenter Gmna Dynamic Manuals 1994 Oldsmobile 88 Royale 1994 Oldsmobile Eighty Eight Owners Pdf
Heating And Air Conditioning
European Union
Frontiers Changes In Climate And Land Use Over The Amazon Region
382b40 67 Olds Cutlass Wiring Diagram Wiring Resources
Oldsmobile 88 Wikipedia
Ford Fiesta 1997 2002 Fuse Box Diagram Auto Genius
Https My Gmc Com Content Dam Gmownercenter Gmna Dynamic Manuals 1998 Oldsmobile 88 1998 Oldsmobile Eighty Eight Owners Pdf
Https My Gmc Com Content Dam Gmownercenter Gmna Dynamic Manuals 1998 Oldsmobile 88 1998 Oldsmobile Eighty Eight Owners Pdf
The Car Hacker S Handbook
Instrument Panel Fuse Box 1997 Blazer Bravada S10 Pickup Sonoma
2007 Road King Brake Wire Diagram Nedlasting Wire Diagram
Heating And Air Conditioning
89c501 Wiring Diagram Daihatsu Mira L6 Wiring Resources
Environmental Dust Particles Repelling From A Hydrophobic Surface
F650gs Electrical Wiring Diagram Electrical Wiring Diagram
Energies Free Full Text Extreme Fast Charging Technology
Ford Fiesta 1997 2002 Fuse Box Diagram Auto Genius
Cooling Fans Wiring Diagram Youtube
Wiring Diagram Oldsmobile 88 Aero 11 Althausbittetzutisch De
Wb Mjm Mynlng Final Report 160617vvf Revised Final
Hot Water Ice Drills Springerlink
5berqjx5eihqhm
Https Download Schneider Electric Com Files P Doc Ref 8998ct9701
Applications Of Artificial Neural Networks In Health Care
Under Dash Air Conditioner Wiring Diagram Herunterladen Wiring
Oldsmobile 88 Wikipedia
Ew 2151 2004 Buick Rainier Wiring Diagram 2005 Buick Rainier
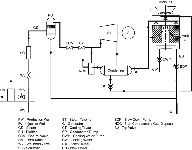
Geothermal Power Conversion Technology Springerlink
Yamaha V Star Headlight Wiring Diagram Iosluchtu Wiring Diagram
Audi 80 Workshop Manual Free Download Sar Pdf Manual Wiring
Https Pdf4pro Com File 25500 Mjf Act Lect Siaut Material Auxiliar Automotive Electrical Systems Pdf Pdf
1998 Oldsmobile Cutlass Engine Diagram Wiring Diagram
Http Www Eaton Eu Ecm Groups Public Pub Europe Electrical Documents Content Pct 1090229 Pdf

Random Posts

  • 2003 Harley Road King Owners Manual Pdf
  • Apex English 4 Semester 1 Answers Pdf
  • The Evolution Man Or How I Ate My Father Pdf
  • Arens Ward Systems Understanding Aid Solutions Pdf
  • 1990 Mazda B2200 Repair Manual Pdf
  • Appetite For Change How The Counterculture Took On The Food Industry Pdf
  • Accounting 8th Edition Hoggett Exercise Answers Pdf
  • 2002 Acura Tl Repair Manual Download Pdf
  • Aprilia Scarabeo 250 Service Manual Pdf
  • Assimil Methode German With Ease Lehrbuch Pdf
Dmca Contact Privacy Policy Copyright