EbookFree
  • Dmca
  • Contact
  • Privacy Policy
  • Copyright

2000 Polaris Sportsman 335 Owners Manual Pdf

Heavy Equipment Manuals Books 2000 Polaris Sportsman 335 4x4

Heavy Equipment Manuals Books 2000 Polaris Sportsman 335 4x4

2002 Polaris Sportsman 700 Service Manual Gallon Vehicle

2002 Polaris Sportsman 700 Service Manual Gallon Vehicle

Polaris Trailblazer Atv Manuel

Polaris Trailblazer Atv Manuel

2

2

7104392 Polaris Atv Sportsman 500 1996 2000 Service Repair Manuals

7104392 Polaris Atv Sportsman 500 1996 2000 Service Repair Manuals

Http Quads Ddns Net Service Manuals Polaris 2007 20polaris 20sportsman 20700 20 20800 20 20800 20efi 20service 20manual Pdf
Https Encrypted Tbn0 Gstatic Com Images Q Tbn 3aand9gcqhinymejcf9zv Eegcsdbeltgjhq39jmiimg Usqp Cau
Polaris 2000 Sportsman 500 Manuals Manualslib
10 Best Polaris Service Manuals Pdf Images Repair And
Heavy Equipment Manuals Books 2000 Polaris Sportsman 335 4x4
7045a38 Polaris Scrambler 400 4x4 1998 Factory Service Repair
1999 Polaris Sportsman 335 Manuals
253 Polaris Atv Trail Boss 2x4 350l 1990 1992 Repair Manuals Pdf
Polaris Atv Service Manual 1996 1998 All Models Vehicles
Download Polaris Sportsman Repair Manual 400 450 500 550 600 700
F3e1 2004 2006 Polaris Trail Boss 330 Atv Repair Manuals Pdf
1996 2003 Polaris Sportsman 400 500 4x4 Xplorer Service Manual
Polaris Atv Service Manual 1996 1998 All Models Pdf Vehicles
618 Best Kubota Service Repair Workshop Manuals Images Repair
New Carburetor For Polaris Sportsman 300 335 400 450 500 600 700
299b Polaris 500 2x Sportsman 2007 Wiring Diagram Wiring Library
Polaris 2000 Sportsman 335 Atv Service Manual
Polaris Sportsman 400 H O Manuals Manualslib
Polaris 1999 Sportsman 335 Atv Service Manual
Fae 02 Polaris Scrambler 500 Service Manual Wiring Library
Polaris Atv Service Manual Repair 1999 2000 Tradebit
Polaris Xplorer 400 Manual Carburetor Four Wheel Drive
01ef Polaris Sportsman 500 Wiring Diagram Pdf Wiring Library
1937 Smc Cbw 250 250cc Atv Digital Workshop Repair Manuals
2502 2000 Polaris Sportsman 335 Service Digital Resources
2008 Polaris Rzr 800 Service Manual By David Nan Issuu
Be79e0 Polaris Sportsman 550 2012 Wiring Diagram Wiring Library
57d1 Polaris 400 Explorer Fuse Box Wiring Library
Ziyusano Jmdcnoboj On Pinterest
Polaris Sportsman 500 Service Manual Ebay
2008 Polaris Sportman 500 Ho Owners Manual Sportsman 9921477 Rgimtuj
Polaris 1999 Sportsman 335 Atv Service Manual
984af Polaris Trail Boss 330 Pdf Service Repair Workshop Manuals
497fb7 2004 Polaris Sportman 500 Ho Atv Parts Manuals Pdf Download
57d1 Polaris 400 Explorer Fuse Box Wiring Library
1996 2000 Polaris Sportsman 335 500 Atv Service Manual
Polaris Atv Service Manual 1996 1998 All Models Vehicles
Polaris Powersports Repair Manuals Engine Exhaust Suspension
1999 Volvo S70 Service Repair Manual 99 Fdownload Net
Https Encrypted Tbn0 Gstatic Com Images Q Tbn 3aand9gcrqribth Kmabgnqlwtx222ti0qowc7qc1 4a Usqp Cau
Https Encrypted Tbn0 Gstatic Com Images Q Tbn 3aand9gcrigfliwgidojgzdztde0 Xbenfktkhe4u Jl1sjc2cmj0k Wu Usqp Cau
New Carburetor For Polaris Sportsman 300 335 400 450 500 600 700
299b Polaris 500 2x Sportsman 2007 Wiring Diagram Wiring Library
Xm 5792 Polaris Xplorer Wiring Diagram On 92 250 Trail Boss
1996 1997 Polaris Sportsman 335 500 Factory Service Maintenance
1998 1999 Polaris Sportsman 335 500 Factory Service Maintenance
Starter Relay Solenoid Polaris Sportsman 400 2001 2004 Sportsman
Download Polaris Sportsman Ignition Wiring Diagram Wiring Diagram
D8927 Royal Enfield Owner Manual Pdf Wiring Library
Husqvarna Smr630 Pdf Service Repair Workshop Repair Manual
Download Polaris Sportsman Repair Manuals Download Polaris
Free Polaris Snowmobile Owners Manual
Xm 5792 Polaris Xplorer Wiring Diagram On 92 250 Trail Boss
1999 2000 Polaris Atv 6x6 Workshop Service Repair Manual
Polaris Xplorer 400 1998 Wiring Diagram Diagram Base Website
Cvmultiprogram Blog
1996 2000 Polaris Sportsman 335 500 Atv Service Manual
Heavy Equipment Manuals Books 2000 Polaris Sportsman 335 4x4
4f4e Polaris Sportsman 450 500 X2 Efi 2007 Repair Service Manual
15p15z 3 Way Switch Wiring Polaris Sportsman 335 Wiring Diagram
2000 Polaris Xplorer 400 Video Dailymotion
Polaris Magnum 500 Manuals Manualslib
Polaris Sportsman 335 Repair Manual Free
7104392 Polaris Atv Sportsman 500 1996 2000 Service Repair Manuals
Download Polaris Sportsman Repair Manual 1993 2013 Model
Polaris Sportsman 400 500 Service Repair Workshop Manual By Hong
Polaris 570 Sportsman Service Manual Transmission Mechanics
Polaris 500 Service Manual
2000 Sportsman 335 Polaris Atv Forum
2002 Polaris Sportsman 700 Service Manual Gallon Vehicle
Polaris 2000 Sportsman 335 Atv Service Manual
Free Polaris Repair Manual
Polaris Magnum 425 Repair Manual Download
Fbe Polaris Trail Boss 250 Owner Manual Imagines Free Ebook
Polaris Sportsman 400 Service Manual Pdf Download Manualslib
Polaris 1999 Sportsman 335 Atv Service Manual
C01 Polaris Tcyclone 250 Owner Manual Wiring Library
Https Encrypted Tbn0 Gstatic Com Images Q Tbn 3aand9gcs6zrrrab1rhwgb9poy658puszp6wdvnzy5yitgxhsshmtsvko4 Usqp Cau
0382314 Polaris Light Utility Hauler 6x6 Owners Manual 2003
Df9 Polaris Service Manuals Free Download Wiring Library
2008 Polaris Sportman 500 Ho Owners Manual Sportsman 9921477 Rgimtuj
Polaris 2000 Sportsman 335 Atv Service Manual
Polaris 1999 Sportsman 335 Atv Service Manual
Owner S Manual Supplement 2000 Sportsman 335 Pn Polaris
Polaris Powersports Repair Manuals Engine Exhaust Suspension
1999 2000 Polaris Atv Service Repair Manual Myatvmanual
15p15z 3 Way Switch Wiring Polaris Sportsman 335 Wiring Diagram
Polaris Powersports Repair Manuals Engine Exhaust Suspension
Polaris Vehicle Repair Manuals Literature For Sale Ebay
Polaris 2000 Magnum 500 Atv Service Manual
Polaris Sportsman 335 Wiring Diagram Kobe Hondawiring Chia Samen
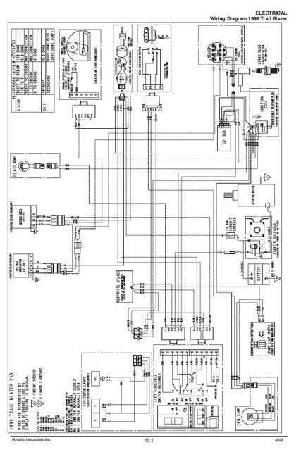
2000 Polaris Sportsman 335 Wiring Diagram Diagram Base Website
Https Encrypted Tbn0 Gstatic Com Images Q Tbn 3aand9gct7zdscgz4twtgf7p75luh35rosg1x9xmsrum6o5jzqxzjhvmbd Usqp Cau
1998 Sportsman 500 Shift Indicator Lights Polaris Atv Forum
984af Polaris Trail Boss 330 Pdf Service Repair Workshop Manuals
5da7 Polaris Xplorer 400 4x4 Wiring Diagram Wiring Resources
Download Polaris Sportsman Repair Manuals Download Polaris
Xm 5792 Polaris Xplorer Wiring Diagram On 92 250 Trail Boss

Random Posts

  • 18th Century Embroidery Techniques Pdf
  • Bacterial Transformation Virtual Lab Classzone Answers Pdf
  • 2006 Renault Kangoo Owners Manual Pdf
  • Mcdonalds Service Unit Test Answers Pdf
  • Arts And Culture An Introduction To The Humanities Volume I Pdf
  • Atlas Copco Ga 37 Service Manual Pdf
  • A Guide To Building A Hospital Based Palliative Care Program Pdf
  • Answer Key To Surgical Technology Fourth Edition Pdf
  • Advanced Engineering Dynamics Ginsberg Solution Manual Pdf
  • Accounting Practice Set Answers Tee Time Merchandise Pdf
Dmca Contact Privacy Policy Copyright