95 Mirage Cooling Diagram Pdf
You could be a specialist who intends to look for referrals or resolve existing problems.

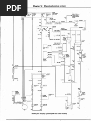
95 mirage cooling diagram pdf. This list of circuit diagrams indicates whether each circuit has been modified or added. View download of more than 351 mirage pdf user manuals service manuals operating guides. Mitsubishi space runner space wagon 1999 2001 ewd. Mitsubishi space runner 1999 2001 electrical wiring diagrams.
The mitsubishi mirage in hatchback bodies produced between 1987 and 2002 were classified as small cars while the sedan and station wagon along with the mitsubishi lancer were part of the compact class. You are right below. Mitsubishi space runner 1992 1997 electrical wiring diagrams. The symbol indicates a circuit that is unchanged.
List of circuit diagrams m3000006000169 notes. Searching for info regarding mitsubishi air conditioning wiring diagram. Dodge ram 50 pickup questions i. Just 995 euro usd exchange rate click here.
Compatible with all pc and mac operating systems windows 10 81 8 7 vista xp 32bit 64bit. The symbol indicates a circuit that has been modified or added. Mitsubishi mirage is a subcompact car manufactured by mitsubishi motors from 1978 to 2002 and production has been revived since 2012. Or you are a trainee or perhaps even you who simply want to know regarding mitsubishi air conditioning wiring diagram.
Mitsubishi space runner space wagon 1992 1997 ewd. Mitsubishi mirage workshop manual download. Mitsubishi mirage workshop repair manual download covers mitsubishi mirage models from 2012 to 2015.




















































































